Product Summary
The 6MBI20GS-060-02 is an IGBT module. Applications of the 6MBI20GS-060-02 are high power switching, A.C. motor controls, D.C. motor controls.
Parametrics
6MBI20GS-060-02 absolute maximum ratings: (1)Collector-Emitter Voltage VCES: 600 V; (2)Gate -Emitter Voltage VGES: ± 20 V; (3)Collector Current Continuous IC: 20A; (4)Collector Current 1ms IC PULSE: 40A; (5)Collector Current Continuous -IC: 20A; (6)Collector Current 1ms -IC PULSE: 40A; (7)Max. Power Dissipation PC: 70 W; (8)Operating Temperature Tj: +150 ℃; (9)Storage Temperature Tstg: -40 ~ +125 ℃.
Features
6MBI20GS-060-02 features: (1)Square RBSOA; (2)Low Saturation Voltage; (3)Improved FWD Characteristic; (4)Minimized Internal Stray Inductance.
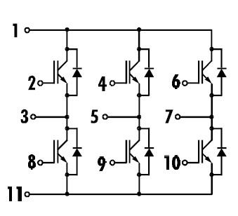
Diagrams

![]() |
![]() 6MBI 25S-120L |
![]() Other |
![]() |
![]() Data Sheet |
![]() Negotiable |
|
||||
![]() |
![]() 6MBI 35S-120L |
![]() Other |
![]() |
![]() Data Sheet |
![]() Negotiable |
|
||||
![]() |
![]() 6MBI 50S-120L |
![]() Other |
![]() |
![]() Data Sheet |
![]() Negotiable |
|
||||
![]() |
![]() 6MBI100F-060 |
![]() Other |
![]() |
![]() Data Sheet |
![]() Negotiable |
|
||||
![]() |
![]() 6MBI100FA-060 |
![]() Other |
![]() |
![]() Data Sheet |
![]() Negotiable |
|
||||
![]() |
![]() 6MBI100FB-060 |
![]() Other |
![]() |
![]() Data Sheet |
![]() Negotiable |
|
||||
(China (Mainland))








