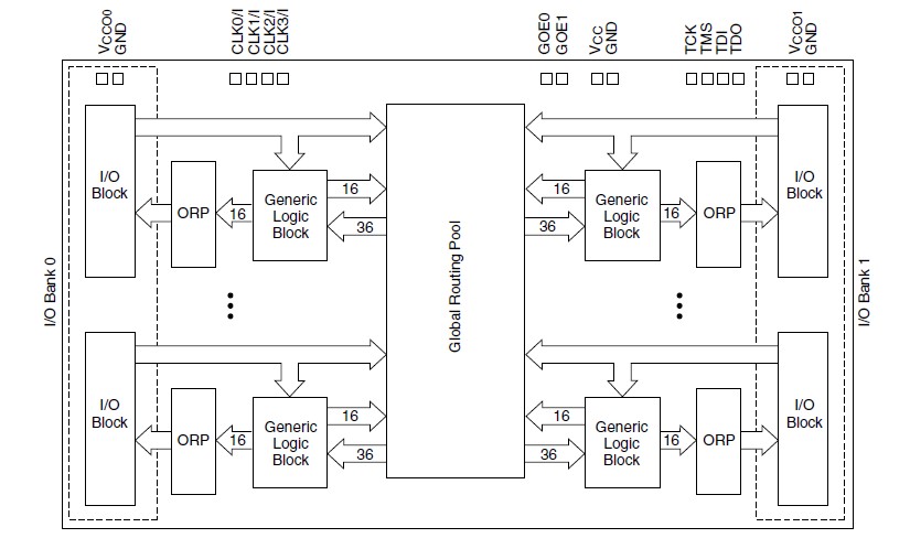
Product Summary
The LC4256V-75TN144-10I is an In-System Programmable SuperFAST High Density PLD. The LC4256V-75TN144-10I offers a SuperFAST CPLD solution. The family is a blend of Lattices two most popular architectures: the ispLSI 2000 and ispMACH 4A. Retaining the best of both families, theLC4256V-75TN144-10I architecture focuses on significant innovations to combine the highest performance with low power in a flexible CPLD family. The LC4256V-75TN144-10I combines high speed and low power with the flexibility needed for ease of design. With its robust Global Routing Pool and Output Routing Pool, this family delivers excellent First-Time-Fit, timing predictability, routing, pin-out retention and density migration.
Parametrics
LC4256V-75TN144-10I absolute maximum ratings: (1)Supply Voltage (VCC): -0.5 to 5.5V; (2)Output Supply Voltage (VCCO): -0.5 to 4.5V; (3)Input or I/O Tristate Voltage Applied: -0.5 to 5.5V; (4)Storage Temperature: -65 to 150℃; (5)Junction Temperature (Tj)with Power Applied: -55 to 150℃; (6)IDK Input or I/O Leakage Current: ±150 μA.
Features
LC4256V-75TN144-10I features: (1)f MAX = 400MHz maximum operating frequency; (2)t PD = 2.5ns propagation delay; (3)Up to four global clock pins with programmable clock polarity control; (4)Up to 80 PTs per output; (5)Enhanced macrocells with individual clock, reset, preset and clock enable controls; (6)Up to four global OE controls; (7)Individual local OE control per I/O pin; (8)Excellent First-Time-Fit and refit; (9)Fast path, SpeedLocking Path, and wide-PT path; (10)Wide input gating (36 input logic blocks)for fast counters, state machines and address decoders; (11)5V tolerant I/O for LVCMOS 3.3, LVTTL, and PCI interfaces; (12)Hot-socketing; (13)Open-drain capability; (14)Input pull-up, pull-down or bus-keeper; (15)Programmable output slew rate; (16)3.3V PCI compatible.
Diagrams

![]() |
![]() LC421 |
![]() Other |
![]() |
![]() Data Sheet |
![]() Negotiable |
|
||||||||||
![]() |
![]() LC4256B-10F256AI |
![]() Lattice |
![]() CPLD - Complex Programmable Logic Devices PROGRAMMABLE SUPER FAST HI DENSITY PLD |
![]() Data Sheet |
![]() Negotiable |
|
||||||||||
![]() |
![]() LC4256B-10F256BI |
![]() Lattice |
![]() CPLD - Complex Programmable Logic Devices PROGRAMMABLE SUPER FAST HI DENSITY PLD |
![]() Data Sheet |
![]()
|
|
||||||||||
![]() |
![]() LC4256B-10FN256AI |
![]() Lattice |
![]() CPLD - Complex Programmable Logic Devices PROGRAMMABLE SUPER FAST HI DENSITY PLD |
![]() Data Sheet |
![]()
|
|
||||||||||
![]() |
![]() LC4256B-10FN256BI |
![]() Lattice |
![]() CPLD - Complex Programmable Logic Devices PROGRAMMABLE SUPER FAST HI DENSITY PLD |
![]() Data Sheet |
![]()
|
|
||||||||||
![]() |
![]() LC4256B-10FT256AI |
![]() Lattice |
![]() CPLD - Complex Programmable Logic Devices 256MC 128I/O ispJTAG 2.5V 10ns IND |
![]() Data Sheet |
![]()
|
|
||||||||||
(China (Mainland))








