Product Summary
                                                  	The QM100DY-H is an IGBT.
                                                  
Parametrics
QM100DY-H absolute maximum ratings: (1)Collector-emitter voltage: 600V; (2)Collector-emitter voltage: 600V; (3)Collector-base voltage: 600V; (4)Emitter-base voltage: 7V; (5)Collector current: 100A; (6)Collector reverse current: 100A; (7)Collector dissipation: 620W; (8)Base current: 6A; (9)Surge collector reverse current (forward diode current): 1000A; (10)Junction temperature: –40~+150℃; (11)Storage temperature: –40~+125℃; (12)Isolation voltage: 2500V.
Features
QM100DY-H features: (1)High-performance, EEPROM-based programmable logic devices (PLDs)based on second-generation MAX architecture; (2)5.0-V in-system programmability (ISP)through the built-in IEEE Std. 1149.1 Joint Test Action Group (JTAG)interface available in MAX 7000S devices – ISP circuitry compatible with IEEE Std. 1532; (3)Includes 5.0-V MAX 7000 devices and 5.0-V ISP-based MAX 7000S devices; (4)Built-in JTAG boundary-scan test (BST)circuitry in MAX 7000S devices with 128 or more macrocells; (5)Complete EPLD family with logic densities ranging from 600 to 5,000 usable gates.; (6)5-ns pin-to-pin logic delays with up to 175.4-MHz counter frequencies (including interconnect); (7)PCI-compliant devices available.
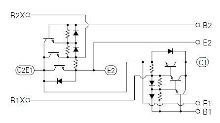
Diagrams

| Image | Part No | Mfg | Description |  | Pricing (USD) | Quantity | ||||
|---|---|---|---|---|---|---|---|---|---|---|
|  |  QM100DY-H |  Other |  |  Data Sheet |  Negotiable |  | ||||
|  |  QM100DY-HB |  Other |  |  Data Sheet |  Negotiable |  | ||||
|  |  QM100DY-HBK |  Other |  |  Data Sheet |  Negotiable |  | ||||
|  |  QM100DY-HK |  Other |  |  Data Sheet |  Negotiable |  | ||||
 (China (Mainland))
 (China (Mainland)) 
                         
                        
 
                                    




