Product Summary
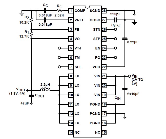
The EL7554IREZ is a full-feature synchronous 4A step-down regulator capable of up to 96% efficiency. The EL7554IREZ operates from 3V to 6V VIN input supply. With internal CMOS power FETs, the EL7554IREZ can operate at up to 100% duty ratio, allowing for output voltage range from 0.8V up to nearly VIN.The adjustable high switching frequency of up to 1MHz enables the use of small components, making the whole converter occupy less than 0.58 square inch with components on one side of the PCB. The EL7554IREZ operates at constant frequency PWM mode, making external synchronization possible. The EL7554IREZ features soft-start and full start-up control, which eliminates the in-rush current and enables users to control the start-up of multiple converters to any configuration with ease. The EL7554IREZ also offers a ±5% voltage margining capability that allows raising and lowering of the supplies derived from the EL7554IREZ to validate the performance and reliability of system cards quickly and easily during manufacturing testing. A junction temperature indicator conveniently monitors the silicon die temperature, saving designers time in the tedious thermal characterization.
Parametrics
EL7554IREZ absolute maximum ratings: (1)VIN, VDD to SGND: -0.3V to +6.5V; (2)VX to PGND: -0.3V to VIN +0.3V; (3)SGND to PGND: -0.3V to +0.3V; (4)COMP, VREF, FB, VO, VTJ, TM, SEL, PG, EN, STP, STN, COSC to SGND: -0.3V to VDD +0.3V; (5)Storage Temperature: -65℃ to +150℃; (6)Junction Temperature: +135℃; (7)Ambient Operating Temperature: -40℃ to +85℃.
Features
EL7554IREZ features: (1)Integrated MOSFETs; (2)4A continuous output current; (3)Up to 96% efficiency; (4)All ceramic capacitors; (5)Multiple supply start-up tracking; (6)Built-in ±5% voltage margining; (7)3V to 6V input voltage; (8)0.58 in2 footprint with components on one side of PCB; (9)Adjustable switching frequency to 1MHz; (10)Oscillator synchronization possible; (11)100% duty ratio; (12)Junction temperature indicator; (13)Over-temperature protection; (14)Internal soft-start; (15)Variable output voltage down to 0.8V; (16)Power-good indicator; (17)28-pin HTSSOP package; (18)Pb-free available (RoHS compliant).
Diagrams

| Image | Part No | Mfg | Description | ![]() |
Pricing (USD) |
Quantity | ||||||||||
|---|---|---|---|---|---|---|---|---|---|---|---|---|---|---|---|---|
![]() |
![]() EL7554IREZ |
![]() |
![]() IC REG BUCK SYNC ADJ 4A 28HTSSOP |
![]() Data Sheet |
![]()
|
|
||||||||||
![]() |
![]() EL7554IREZ-T13 |
![]() |
![]() IC REG BUCK SYNC ADJ 4A 28HTSSOP |
![]() Data Sheet |
![]()
|
|
||||||||||
![]() |
![]() EL7554IREZ-T7 |
![]() |
![]() IC REG BUCK SYNC ADJ 4A 28HTSSOP |
![]() Data Sheet |
![]()
|
|
||||||||||
(China (Mainland))









