Product Summary
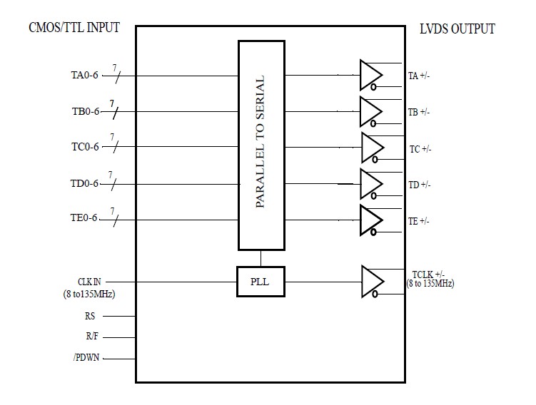
The THC63LVD1023B is a COLOR LVDS Transmitter. The THC63LVD1023B is designed to support pixel data transmission between Host and Flat Panel Display from NTSC up to SXGA+ resolutions. The THC63LVD1023B converts 35bits of CMOS/TTL data into LVDS(Low Voltage Differential Signaling) data stream. The transmitter can be programmed for rising edge or falling edge clocks through a dedicated pin. At a transmit clock frequency of 135MHz, 30bits of RGB data and 5bits of timing and control data (HSYNC, VSYNC, DE, CNTL1, CNTL2) are transmitted at an effective rate of 945Mbps per LVDS channel.
Parametrics
THC63LVD1023B absolute maximum ratings: (1)Supply Voltage (VCC): -0.3V ~ +4.0V; (2)CMOS/TTL Input Voltage: -0.3V ~ (VCC + 0.3V); (3)CMOS/TTL Output Voltage: -0.3V ~ (VCC + 0.3V); (4)LVDS Driver Output Voltage: -0.3V ~ (VCC + 0.3V); (5)Junction Temperature: +125℃; (6)Storage Temperature Range: -55 ~ +150℃; (7)Resistance to soldering heat: +260 /10sec; (8)Maximum Power Dissipation @+25℃: 1.0W.
Features
THC63LVD1023B features: (1)Wide dot clock range: 8-135MHz suited for NTSC, VGA, SVGA, XGA,SXGA and SXGA+; (2)PLL requires no external components; (3)Supports spread spectrum clock generator; (4)On chip jitter filtering; (5)Clock edge selectable; (6)Supports reduced swing LVDS for low EMI; (7)Power down mode; (8)Low power single 3.3V CMOS design; (9)64pin TQFP; (10)Backward compatible with THC63LVDM63R(18bits)/ M83R(24bits).
Diagrams

![]() |
![]() THC63LVD103 |
![]() Other |
![]() |
![]() Data Sheet |
![]() Negotiable |
|
||||
![]() |
![]() THC63LVD104A |
![]() Other |
![]() |
![]() Data Sheet |
![]() Negotiable |
|
||||
![]() |
![]() THC63LVD104S |
![]() Other |
![]() |
![]() Data Sheet |
![]() Negotiable |
|
||||
![]() |
![]() THC63LVD823 |
![]() Other |
![]() |
![]() Data Sheet |
![]() Negotiable |
|
||||
![]() |
![]() THC63LVD824 |
![]() Other |
![]() |
![]() Data Sheet |
![]() Negotiable |
|
||||
![]() |
![]() THC63LVDF64A |
![]() Other |
![]() |
![]() Data Sheet |
![]() Negotiable |
|
||||
(China (Mainland))








