Product Summary
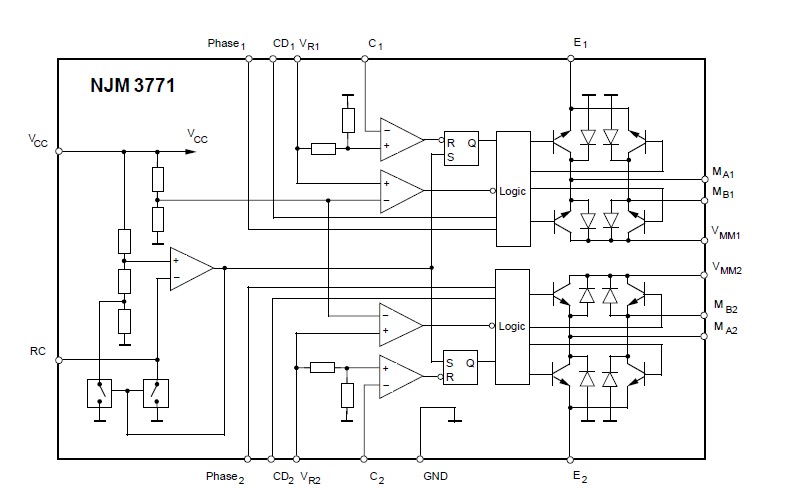
The NJM3771FM2 is a stepper motor driver, which circuit is especially developed for use in microstepping applications in conjunction with the matching dual DAC (Digital-to-Analog Converter) NJU39610. The NJM3771FM2 contains a clock oscillator, which is common for both driver channels; a set of comparators and flip-flops imple menting the switching control; and two H-bridges with internal recirculation diodes. Voltage supply requirements are +5 V for logic and +10 to +45 V for the motor. Maximum output current is 650 mA per channel.
Parametrics
NJM3771FM2 absolute maximum ratings: (1)Logic supply 11 VCC: 0 to 7 V; (2)Motor supply 3, 20 VMM: 0 to 45 V; (3)Logic inputs 7, 8, 15, 16 VI: -0.3 to 6 V; (4)Comparator inputs 10, 13 VC: -0.3 to VCC V; (5)Reference inputs 9, 14 VR: -0.3 to 7.5 V; (6)Motor output current 1, 4, 19, 22 IM: -700 to +700 mA; (7)Logic inputs 7, 8, 15, 16 II: 10mA; (8)Analog inputs 10, 13 IA: 10 - mA; (9)Oscillator charging current 12 IRC: 5 mA; (10)Operating junction temperature TJ: -40 to +150 ℃; (11)Storage temperature TS: -55 to +150 ℃.
Features
NJM3771FM2 features: (1)Dual chopper driver; (2)650 mA output current per channel; (3)Selectable slow/fast current decay for improved highspeed microstepping; (4)Specially matched to Dual DAC NJU39610; (5)Packages DIP22 / EMP24(Batwing)/ PLCC28.
Diagrams

| Image | Part No | Mfg | Description | ![]() |
Pricing (USD) |
Quantity | ||||||||||||
|---|---|---|---|---|---|---|---|---|---|---|---|---|---|---|---|---|---|---|
![]() |
![]() NJM3771FM2 |
![]() NJR |
![]() Motor / Motion / Ignition Controllers & Drivers Dual Stepper |
![]() Data Sheet |
![]()
|
|
||||||||||||
![]() |
![]() NJM3771FM2-TE3 |
![]() NJR |
![]() Motor / Motion / Ignition Controllers & Drivers Dual Stepper Motor Driver |
![]() Data Sheet |
![]()
|
|
||||||||||||
(China (Mainland))









